派克固美丽导电弹性体/导电橡胶——连接器衬料
|
派克固美丽导电弹性体/导电橡胶 ——连接器衬料
Parker Chomerics提供连接衬料的几种类型,如安装法兰EMI衬料,界面EMI密封件,锁紧螺母EMI密封件,D-超小型矩形衬料。
|
|
|
|
派克固美丽连接器衬料 ——安装法兰EMI衬料
Chomerics的模切cho-seal衬料当插在连接器法兰和安装隔板之间时提供EMI屏蔽和环境密封,本章所述的衬料设计用于MIL-C-83723、MIL-C-5015、MIL-C-26482,MIL-C-38999和MIL-C-81511 连接器,它们与非导电衬料可以互换。
|
|
派克固美丽连接器衬料 ——界面EMI密封件
耐环境污染的MS连接器的主要配合接头通常装有橡胶密封圈(MIL-C-26482)或者O-形圈(MIL-C-5015)来密封来自销子区域的水分,CHO-SEAL衬料可以和这些密封/O-形圈互换,并且除了密封还提供EMI屏蔽。
|
|
|
|
|
派克固美丽连接器衬料 ——D-超小型矩形衬料
超小型D-形衬料用于提供EMI屏蔽和在连接器法兰与其配合表面之间提供环境密封。Chomerics 提供这些衬料在CHO-SEAL材料范围内与从9针至50针的外壳尺寸配套。
|
|
安装法兰EMI衬料
标准尺寸:使用表1,构造如以下所示的合适的物料编号。
对于定做的衬料:必须提供图纸,物料编号将由chomerics 来确定。
外壳尺寸
外形图号
尺寸inches (mm)
NO.
字母
MIL-C-38999 系列
MILC-
81511
系列
MILC-
28840
系列
MIL-C-5015
C-83723
NAS-1599
MIL-C-26482
MIL P/N:
M83528/
004Xt-( )
A
B
C
D
E---
I
II
III
IV
±0.010
(0.25)
+0.020 (0.51)
–0.000
±0.015
(0.38)
±0.010
(0.25)
±0.010
(0.25)
6
1946*
001
0.469 (11.91)
0.375 (9.53)
0.738 (18.75)
0.141 (3.58)
8
1947
√
001
0.594 (15.09)
0.630 (16.00)
0.840 (21.34)
0.135 (3.43)
4690
003
0.594 (15.09)
0.568 (14.43)
0.812 (20.62)
0.125 (3.18)
1948
004
0.594 (15.09)
0.500 (12.70)
0.875 (22.23)
0.156 (3.96)
9
1949
√
005
0.719 (18.26)
0.750 (19.05)
0.965 (24.51)
0.135 (3.43)
A
C646
√
NA
0.719 (18.26)
0.750 (19.05)
0.965 (24.51)
0.135 (3.43)
0.222 (5.64)
10
1949
√
005
0.719 (18.26)
0.750 (19.05)
0.965 (24.51)
0.135 (3.43)
4691
006
0.719 (18.26)
0.680 (17.27)
0.937 (23.80)
0.125 (3.18)
(S/SL)
1950
007
0.719 (18.26)
0.625 (15.88)
1.000 (25.40)
0.156 (3.96)
11
6961
√
√
008
0.812 (20.62)
0.875 (22.23)
1.060 (26.92)
0.141 (3.58)
B
C647
√
NA
0.812 (20.62)
0.875 (22.23)
1.060 (26.92)
0.141 (3.58)
0.206 (5.23)
A
C637
NA
0.750 (19.05)
0.875 (22.23)
1.046 (26.57)
0.141 (3.58)
0.163 (4.14)
12
6961
√
008
0.812 (20.62)
0.875 (22.23)
1.060 (26.92)
0.141 (3.58)
(S/SL)
1951
009
0.813 (20.65)
0.750 (19.05)
1.094 (27.79)
0.156 (3.96)
13
C
C648
√
NA
0.906 (23.01)
1.000 (25.40)
1.156 (29.36)
0.141 (3.58)
0.206 (5.23)
B
C638
NA
0.843 (21.41)
1.000 (25.40)
1.156 (29.36)
0.141 (3.58)
0.167 (4.24)
14
1953
√
010
0.906 (23.01)
1.005 (25.53)
1.153 (29.29)
0.135 (3.43)
4692
011
0.906 (23.01)
0.938 (23.83)
1.125 (28.58)
0.125 (3.18)
(S)
1952
012
0.906 (23.01)
0.875 (22.23)
1.188 (30.18)
0.156 (3.96)
15
1955
√
√
013
0.969 (24.61)
1.135 (28.83)
1.258 (31.95
0.156 (3.96)
D
C649
√
NA
0.969 (24.61)
1.135 (28.83)
1.258 (31.95)
0.156 (3.96)
0.206 (5.23)
C
C639
NA
0.968 (24.59)
1.187 (30.15)
1.281 (32.54)
0.141 (3.58)
0.161 (4.09)
16
1955
√
013
0.969 (24.61)
1.135 (28.83)
1.258 (31.95)
0.156 (3.96)
4693
014
0.969 (24.61)
1.063 (27.00)
1.250 (31.75)
0.125 (3.18)
(S)
1954
015
0.969 (24.61)
1.000 (25.40)
1.281 (32.54)
0.156 (3.96)
17
1957
√
√
016
1.062 (26.97)
1.260 (32.00)
1.351 (34.32)
0.156 (3.96)
E
C650
√
NA
1.062 (26.97)
1.260 (32.00)
1.351 (34.32)
0.156 (3.96)
0.222 (5.64)
D
C640
NA
1.015 (25.78)
1.250 (31.75)
1.406 (35.71)
0.141 (3.58)
0.163 (4.14)
18
(S)
1957
√
016
1.062 (26.97)
1.260 (32.00)
1.351 (34.32)
0.156 (3.96)
4694
017
1.062 (26.97)
1.189 (30.20)
1.343 (34.11)
0.125 (3.18)
1956
018
1.062 (26.97)
1.135 (28.83)
1.375 (34.93)
0.156 (3.96)
19
6962
√
√
019
1.156 (29.36)
1.375 (34.93)
1.500 (38.10)
0.141 (3.58)
F
C651
√
NA
1.156 (29.36)
1.375 (34.93)
1.500 (38.10)
0.141 (3.58)
0.206 (5.23)
E
C641
NA
1.140 (28.96)
1.437 (36.50)
1.531 (38.89)
0.141 (3.58)
0.158 (4.01)
20
6962
019
1.156 (29.36)
1.375 (34.93)
1.500 (38.10)
0.141 (3.58)
√
4695
020
1.156 (29.36)
1.312 (33.32)
1.467 (37.26)
0.125 (3.18)
1958
021
1.156 (29.36)
1.250 (31.75)
1.500 (38.10)
0.172 (4.37)
21
6963
√
√
022
1.250 (31.75)
1.500 (38.10)
1.625 (41.28)
0.141 (3.58)
G
C652
√
NA
1.250 (31.75)
1.500 (38.10)
1.625 (41.28)
0.141 (3.58)
0.206 (5.23)
22
6963
√
022
1.250 (31.75)
1.500 (38.10)
1.625 (41.28)
0.141 (3.58)
4969
023
1.250 (31.75)
1.437 (36.50)
1.562 (39.67)
0.125 (3.18)
1959
024
1.250 (31.75)
1.375 (34.93)
1.625 (41.28)
0.172 (4.37)
23
6964
√
√
025
1.375 (34.93)
1.625 (41.28)
1.750 (44.45)
0.172 (4.37)
H
C653
√
NA
1.375 (34.93)
1.625 (41.28)
1.750 (44.45)
0.172 (4.37)
0.259 (6.58)
F
C642
NA
1.281 (32.54)
1.625 (41.28)
1.750 (44.45)
0.141 (3.58)
0.164 (4.17)
24
025
1.375 (34.93)
1.625 (41.28)
1.750 (44.45)
0.172 (4.37)
4697
026
1.375 (34.93)
1.563 (39.71)
1.703 (43.26)
0.152 (3.86)
1960
027
1.375 (34.93)
1.500 (38.10)
1.750 (44.45)
0.203 (5.16)
25
6965
√
√
028
1.500 (38.10)
1.750 (44.45)
1.875 (47.63)
0.172 (4.37)
J
C654
√
NA
1.500 (38.10)
1.750 (44.45)
1.875 (47.63)
0.172 (4.37)
0.259 (6.58)
G
C643
NA
1.392 (35.36)
1.750 (44.45)
1.843 (46.81)
0.172 (4.37)
0.195 (4.95)
1961
029
1.562 (39.67)
1.750 (44.45)
2.000 (50.80)
0.203 (5.16)
29
H
C644
NA
1.568 (39.83)
2.000 (50.80)
2.171 (55.14)
0.172 (4.37)
0.195 (4.95)
32**
1962
030
1.750 (44.45)
2.000 (50.80)
2.250 (57.15)
0.219 (5.56)
33
J
C645
NA
1.734 (44.04)
2.187 (55.55)
2.356 (59.84)
0.203 (5.16)
0.234 (5.94)
36**
1963
031
1.938 (49.23)
2.250 (57.15)
2.500 (63.50)
0.219 (5.56)
40**
1964
032
2.188 (55.58)
2.500 (63.50)
2.750 (69.85)
0.219 (5.56)
44**
1965
033
2.375 (60.33)
2.781 (70.64)
3.000 (76.20)
0.219 (5.56)
48**
1966
034
2.625 (66.68)
3.031 (76.99)
3.250 (82.55)
0.219 (5.56)
|
外壳尺寸 |
外形图号 |
尺寸inches (mm) |
|||||||||||||
|
NO. |
字母 |
MIL-C-38999 系列 |
MILC- |
MILC- |
MIL-C-5015 |
MIL P/N: |
A |
B |
C |
D |
E--- |
||||
|
|
|
|
I |
II |
III |
IV |
|
|
|
|
±0.010 |
+0.020 (0.51) |
±0.015 |
±0.010 |
±0.010 |
|
6 |
|
|
|
|
|
|
|
|
1946* |
001 |
0.469 (11.91) |
0.375 (9.53) |
0.738 (18.75) |
0.141 (3.58) |
|
|
8 |
|
1947 |
√ |
|
|
|
|
|
|
001 |
0.594 (15.09) |
0.630 (16.00) |
0.840 (21.34) |
0.135 (3.43) |
|
|
|
|
|
|
|
|
|
4690 |
|
|
003 |
0.594 (15.09) |
0.568 (14.43) |
0.812 (20.62) |
0.125 (3.18) |
|
|
|
|
|
|
|
|
|
|
|
1948 |
004 |
0.594 (15.09) |
0.500 (12.70) |
0.875 (22.23) |
0.156 (3.96) |
|
|
9 |
|
1949 |
√ |
|
|
|
|
|
|
005 |
0.719 (18.26) |
0.750 (19.05) |
0.965 (24.51) |
0.135 (3.43) |
|
|
|
A |
C646 |
|
|
√ |
|
|
|
|
NA |
0.719 (18.26) |
0.750 (19.05) |
0.965 (24.51) |
0.135 (3.43) |
0.222 (5.64) |
|
10 |
|
1949 |
|
√ |
|
|
|
|
|
005 |
0.719 (18.26) |
0.750 (19.05) |
0.965 (24.51) |
0.135 (3.43) |
|
|
|
|
|
|
|
|
|
4691 |
|
|
006 |
0.719 (18.26) |
0.680 (17.27) |
0.937 (23.80) |
0.125 (3.18) |
|
|
|
(S/SL) |
|
|
|
|
|
|
|
1950 |
007 |
0.719 (18.26) |
0.625 (15.88) |
1.000 (25.40) |
0.156 (3.96) |
|
|
11 |
|
6961 |
√ |
|
|
√ |
|
|
|
008 |
0.812 (20.62) |
0.875 (22.23) |
1.060 (26.92) |
0.141 (3.58) |
|
|
|
B |
C647 |
|
|
√ |
|
|
|
|
NA |
0.812 (20.62) |
0.875 (22.23) |
1.060 (26.92) |
0.141 (3.58) |
0.206 (5.23) |
|
|
A |
|
|
|
|
|
|
C637 |
|
NA |
0.750 (19.05) |
0.875 (22.23) |
1.046 (26.57) |
0.141 (3.58) |
0.163 (4.14) |
|
12 |
|
6961 |
|
√ |
|
|
|
|
|
008 |
0.812 (20.62) |
0.875 (22.23) |
1.060 (26.92) |
0.141 (3.58) |
|
|
|
(S/SL) |
|
|
|
|
|
|
|
1951 |
009 |
0.813 (20.65) |
0.750 (19.05) |
1.094 (27.79) |
0.156 (3.96) |
|
|
13 |
C |
C648 |
|
|
√ |
|
|
|
|
NA |
0.906 (23.01) |
1.000 (25.40) |
1.156 (29.36) |
0.141 (3.58) |
0.206 (5.23) |
|
|
B |
|
|
|
|
|
|
C638 |
|
NA |
0.843 (21.41) |
1.000 (25.40) |
1.156 (29.36) |
0.141 (3.58) |
0.167 (4.24) |
|
14 |
|
1953 |
|
√ |
|
|
|
|
|
010 |
0.906 (23.01) |
1.005 (25.53) |
1.153 (29.29) |
0.135 (3.43) |
|
|
|
|
|
|
|
|
|
4692 |
|
|
011 |
0.906 (23.01) |
0.938 (23.83) |
1.125 (28.58) |
0.125 (3.18) |
|
|
|
(S) |
|
|
|
|
|
|
|
1952 |
012 |
0.906 (23.01) |
0.875 (22.23) |
1.188 (30.18) |
0.156 (3.96) |
|
|
15 |
|
1955 |
√ |
|
|
√ |
|
|
|
013 |
0.969 (24.61) |
1.135 (28.83) |
1.258 (31.95 |
0.156 (3.96) |
|
|
|
D |
C649 |
|
|
√ |
|
|
|
|
NA |
0.969 (24.61) |
1.135 (28.83) |
1.258 (31.95) |
0.156 (3.96) |
0.206 (5.23) |
|
|
C |
|
|
|
|
|
|
C639 |
|
NA |
0.968 (24.59) |
1.187 (30.15) |
1.281 (32.54) |
0.141 (3.58) |
0.161 (4.09) |
|
16 |
|
1955 |
|
√ |
|
|
|
|
|
013 |
0.969 (24.61) |
1.135 (28.83) |
1.258 (31.95) |
0.156 (3.96) |
|
|
|
|
|
|
|
|
|
|
4693 |
|
014 |
0.969 (24.61) |
1.063 (27.00) |
1.250 (31.75) |
0.125 (3.18) |
|
|
|
(S) |
|
|
|
|
|
|
|
1954 |
015 |
0.969 (24.61) |
1.000 (25.40) |
1.281 (32.54) |
0.156 (3.96) |
|
|
17 |
|
1957 |
|
√ |
|
√ |
|
|
|
016 |
1.062 (26.97) |
1.260 (32.00) |
1.351 (34.32) |
0.156 (3.96) |
|
|
|
E |
C650 |
|
|
√ |
|
|
|
|
NA |
1.062 (26.97) |
1.260 (32.00) |
1.351 (34.32) |
0.156 (3.96) |
0.222 (5.64) |
|
|
D |
|
|
|
|
|
|
C640 |
|
NA |
1.015 (25.78) |
1.250 (31.75) |
1.406 (35.71) |
0.141 (3.58) |
0.163 (4.14) |
|
18 |
(S) |
1957 |
|
√ |
|
|
|
|
|
016 |
1.062 (26.97) |
1.260 (32.00) |
1.351 (34.32) |
0.156 (3.96) |
|
|
|
|
|
|
|
|
|
4694 |
|
|
017 |
1.062 (26.97) |
1.189 (30.20) |
1.343 (34.11) |
0.125 (3.18) |
|
|
|
|
|
|
|
|
|
|
|
1956 |
018 |
1.062 (26.97) |
1.135 (28.83) |
1.375 (34.93) |
0.156 (3.96) |
|
|
19 |
|
6962 |
√ |
|
|
√ |
|
|
|
019 |
1.156 (29.36) |
1.375 (34.93) |
1.500 (38.10) |
0.141 (3.58) |
|
|
|
F |
C651 |
|
|
√ |
|
|
|
|
NA |
1.156 (29.36) |
1.375 (34.93) |
1.500 (38.10) |
0.141 (3.58) |
0.206 (5.23) |
|
|
E |
|
|
|
|
|
|
C641 |
|
NA |
1.140 (28.96) |
1.437 (36.50) |
1.531 (38.89) |
0.141 (3.58) |
0.158 (4.01) |
|
20 |
|
6962 |
|
|
|
|
|
|
|
019 |
1.156 (29.36) |
1.375 (34.93) |
1.500 (38.10) |
0.141 (3.58) |
|
|
|
|
|
|
√ |
|
|
4695 |
|
|
020 |
1.156 (29.36) |
1.312 (33.32) |
1.467 (37.26) |
0.125 (3.18) |
|
|
|
|
|
|
|
|
|
|
|
1958 |
021 |
1.156 (29.36) |
1.250 (31.75) |
1.500 (38.10) |
0.172 (4.37) |
|
|
21 |
|
6963 |
√ |
|
|
√ |
|
|
|
022 |
1.250 (31.75) |
1.500 (38.10) |
1.625 (41.28) |
0.141 (3.58) |
|
|
|
G |
C652 |
|
|
√ |
|
|
|
|
NA |
1.250 (31.75) |
1.500 (38.10) |
1.625 (41.28) |
0.141 (3.58) |
0.206 (5.23) |
|
22 |
|
6963 |
|
√ |
|
|
|
|
|
022 |
1.250 (31.75) |
1.500 (38.10) |
1.625 (41.28) |
0.141 (3.58) |
|
|
|
|
|
|
|
|
|
4969 |
|
|
023 |
1.250 (31.75) |
1.437 (36.50) |
1.562 (39.67) |
0.125 (3.18) |
|
|
|
|
|
|
|
|
|
|
|
1959 |
024 |
1.250 (31.75) |
1.375 (34.93) |
1.625 (41.28) |
0.172 (4.37) |
|
|
23 |
|
6964 |
√ |
|
|
√ |
|
|
|
025 |
1.375 (34.93) |
1.625 (41.28) |
1.750 (44.45) |
0.172 (4.37) |
|
|
|
H |
C653 |
|
|
√ |
|
|
|
|
NA |
1.375 (34.93) |
1.625 (41.28) |
1.750 (44.45) |
0.172 (4.37) |
0.259 (6.58) |
|
|
F |
|
|
|
|
|
C642 |
|
|
NA |
1.281 (32.54) |
1.625 (41.28) |
1.750 (44.45) |
0.141 (3.58) |
0.164 (4.17) |
|
24 |
|
|
|
|
|
|
|
|
|
025 |
1.375 (34.93) |
1.625 (41.28) |
1.750 (44.45) |
0.172 (4.37) |
|
|
|
|
|
|
|
|
|
4697 |
|
|
026 |
1.375 (34.93) |
1.563 (39.71) |
1.703 (43.26) |
0.152 (3.86) |
|
|
|
|
|
|
|
|
|
|
|
1960 |
027 |
1.375 (34.93) |
1.500 (38.10) |
1.750 (44.45) |
0.203 (5.16) |
|
|
25 |
|
6965 |
√ |
|
|
√ |
|
|
|
028 |
1.500 (38.10) |
1.750 (44.45) |
1.875 (47.63) |
0.172 (4.37) |
|
|
|
J |
C654 |
|
|
√ |
|
|
|
|
NA |
1.500 (38.10) |
1.750 (44.45) |
1.875 (47.63) |
0.172 (4.37) |
0.259 (6.58) |
|
|
G |
|
|
|
|
|
C643 |
|
|
NA |
1.392 (35.36) |
1.750 (44.45) |
1.843 (46.81) |
0.172 (4.37) |
0.195 (4.95) |
|
|
|
|
|
|
|
|
|
|
1961 |
029 |
1.562 (39.67) |
1.750 (44.45) |
2.000 (50.80) |
0.203 (5.16) |
|
|
29 |
H |
|
|
|
|
|
C644 |
|
|
NA |
1.568 (39.83) |
2.000 (50.80) |
2.171 (55.14) |
0.172 (4.37) |
0.195 (4.95) |
|
32** |
|
|
|
|
|
|
|
|
1962 |
030 |
1.750 (44.45) |
2.000 (50.80) |
2.250 (57.15) |
0.219 (5.56) |
|
|
33 |
J |
|
|
|
|
|
C645 |
|
|
NA |
1.734 (44.04) |
2.187 (55.55) |
2.356 (59.84) |
0.203 (5.16) |
0.234 (5.94) |
|
36** |
|
|
|
|
|
|
|
|
1963 |
031 |
1.938 (49.23) |
2.250 (57.15) |
2.500 (63.50) |
0.219 (5.56) |
|
|
40** |
|
|
|
|
|
|
|
|
1964 |
032 |
2.188 (55.58) |
2.500 (63.50) |
2.750 (69.85) |
0.219 (5.56) |
|
|
44** |
|
|
|
|
|
|
|
|
1965 |
033 |
2.375 (60.33) |
2.781 (70.64) |
3.000 (76.20) |
0.219 (5.56) |
|
|
48** |
|
|
|
|
|
|
|
|
1966 |
034 |
2.625 (66.68) |
3.031 (76.99) |
3.250 (82.55) |
0.219 (5.56) |
|
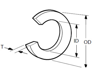
界面EMI密封件
从表2选择物料编号,后4位数字标示材料(1215/1217等),除了CHO-SEAL 1239,全部材料均有货。
表2:
|
界面EMI密封件 |
|||||
|
外壳尺寸 |
物料编号 |
标称尺寸 inches (mm) |
|||
|
|
MIL-C-26482 |
MIL-C-5015 |
ID |
OD |
T |
|
8 |
30-02-2041-XXXXX |
|
0.319 (8.10) |
0.422 (11.23) |
0.075 (1.91) |
|
|
|
30-02-2050-XXXXX |
0.328 (8.33) |
0.391 (9.93) |
0.032 (0.81) |
|
10 |
30-02-2042-XXXXX |
|
0.447 (11.35) |
0.550 (13.97) |
0.075 (1.91) |
|
10S SL |
|
30-02-2051-XXXXX |
0.406 (10.31) |
0.469 (11.91) |
0.032 (0.81) |
|
12 |
30-02-2043-XXXXX |
|
0.547 (13.89) |
0.703 (17.86) |
0.075 (1.91) |
|
14 |
30-02-2044-XXXXX |
|
0.671 (17.04) |
0.828 (21.03) |
0.075 (1.91) |
|
14 14S |
|
30-02-2053-XXXXX |
0.641 (16.28) |
0.703 (17.86) |
0.032 (0.81) |
|
16 |
30-02-2045-XXXXX |
|
0.797 (20.24) |
0.953 (24.21) |
0.075 (1.91) |
|
16 16S |
|
30-02-2054-XXXXX |
0.781 (19.84) |
0.844 (21.44) |
0.032 (0.81) |
|
18 |
30-02-2046-XXXXX |
|
0.891 (22.63) |
1.047 (2.59) |
0.075 (1.91) |
|
|
|
30-02-2055-XXXXX |
0.891 (22.63) |
0.953 (24.21) |
0.032 (0.81) |
|
20 |
30-02-2047-XXXXX |
|
1.039 (26.39) |
1.172 (29.77) |
0.075 (1.91) |
|
|
|
30-02-2056-XXXXX |
0.984 (24.99) |
1.047 (26.59) |
0.032 (0.81) |
|
22 |
30-02-2048-XXXXX |
|
1.141 (28.98) |
1.297 (32.94) |
0.075 (1.91) |
|
|
|
30-02-2057-XXXXX |
1.109 (28.17) |
1.172 (29.77) |
0.032 (0.81) |
|
24 |
30-02-2049-XXXXX |
|
1.266 (32.16) |
1.422 (36.12) |
0.075 (1.91) |
|
|
|
30-02-2058-XXXXX |
1.219 (30.96) |
1.281 (32.54) |
0.032 (0.81) |
|
28 |
|
30-02-2059-XXXXX |
1.455 (36.96) |
1.547 (39.29) |
0.045 (1.14) |
|
32 |
|
30-02-2060-XXXXX |
1.672 (42.47) |
1.766 (44.86) |
0.045 (1.14) |
|
36 |
|
30-02-2061-XXXXX |
1.891 (48.03) |
1.984 (50.39) |
0.045 (1.14) |
表3:
|
尺寸inches (mm) |
公差 inches (mm) |
|
ID, OD |
|
|
≤0.500 (12.70) |
±0.005 (0.13) |
|
0.501-1.500 |
±0.010 (0.25) |
|
1.501-2.000 |
±0.015 (0.38) |
|
断面 (T) |
|
|
0.032 (0.81) |
±0.005 (0.13) |
|
0.045 (1.14) |
±0.005 (0.13) |
|
0.075 (1.91) |
±0.007 (0.18) |
锁紧螺母EMI密封件
从表5选择物料编号,后4位数字标示材料(1215、1217等)。

表4:
|
尺寸 inches (mm) |
公差 inches (mm) |
|
内径 (ID) |
|
|
≤1.500 [38.10] |
±0.010 [0.25] |
|
1.501-2.000 |
±0.015 [0.38] |
|
断面直径(CS) |
|
|
0.070 [1.78] |
±0.004 [0.10] |
|
0.103 [2.62] |
±0.005 [0.13] |
表5:
|
锁紧螺母EMI密封件 |
||||||
|
外壳尺寸 |
Chomerics P/N*物料编号 |
MIL-C-38999JS1N1 |
参考 |
MIL P/N: M83528/002X†- ( ) |
标称尺寸 inches (mm) |
|
|
|
|
|
|
|
ID |
CS |
|
6 |
30-03-2065-XXXXX |
√ |
|
015 |
0.551 (14.00) |
0.070 (1.78) |
|
8 |
30-03-2066-XXXXX |
√ |
|
017 |
0.676 (17.17) |
0.070 (1.78) |
|
|
30-03-2075-XXXXX |
√ |
|
018 |
0.739 (18.77) |
0.070 (1.78) |
|
9, 10 |
30-03-1981-XXXXX |
√ |
|
019 |
0.801 (20.35) |
0.070 (1.78) |
|
|
30-03-2076-XXXXX |
|
√ |
020 |
0.864 (21.95) |
0.070 (1.78) |
|
11, 12 |
30-03-2068-XXXXX |
√ |
|
022 |
0.989 (25.12) |
0.070 (1.78) |
|
13, 14 |
30-03-2069-XXXXX |
√ |
√ |
024 |
1.114 (28.30) |
0.070 (1.78) |
|
15, 16 |
30-03-2070-XXXXX |
√ |
√ |
026 |
1.239 (31.47) |
0.070 (1.78) |
|
17, 18 |
30-03-2071-XXXXX |
√ |
√ |
028 |
1.364 (34.65) |
0.070 (1.78) |
|
19, 20 |
30-03-2072-XXXXX |
√ |
|
128 |
1.487 (37.77) |
0.103 (2.62) |
|
21, 22 |
30-03-1846-XXXXX |
|
√ |
/005X †-022 |
1.612 (40.94) |
0.103 (2.62) |
|
23, 24 |
30-03-2031-XXXXX |
|
√ |
132 |
1.737 (44.12) |
0.103 (2.62) |
|
25 |
30-03-8800-XXXXX |
|
|
134 |
1.862 (47.30) |
0.103 (2.62) |
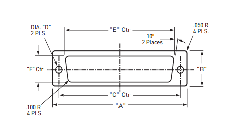
D-超小型矩形衬料
从表6中选择Chomerics 物料编号,后4位数字标示材料(1215、1217等)。

表6:
|
D-超小型衬料 |
|||||
|
尺寸公差inches (mm) |
外壳尺寸 inches (mm) |
||||
|
|
9 针 |
15 针 |
25 针 |
37 针 |
50 针 |
|
“A” 总长 |
1.213 (30.81) |
1.556 (39.52) |
2.087 (53.01) |
2.729 (69.32) |
2.635 (66.93) |
|
“B” 总宽 |
0.594 (15.09) |
0.600 (15.24) |
0.594 (15.09) |
0.594 (15.09) |
0.605 (15.37) |
|
“C” 孔对孔±0,010 (0.25) |
0.984 (25.0) |
1.312 (33.32) |
1.852 (47.04) |
2.500 (63.50) |
2.406 (61.11) |
|
“D” 孔径 |
0.120 (3.05) |
0.130 (3.30) |
0.120 (3.05) |
0.120 (3.05) |
0.120 (3.05) |
|
“E” 较大的切口长度 |
0.697 (17.70) |
1.080 (27.43) |
1.583 (40.21) |
2.231 (56.67) |
2.109 (53.57) |
|
“F” 切口宽度±0,010 (0.25) |
0.360 (9.14) |
0.370 (9.40) |
0.378 (9.60) |
0.378 (9.60) |
0.466 (11.84) |
|
典型的切口角度 |
10° |
10° |
10° |
10° |
10° |
|
Chomerics物料编号 |
30-TT-A779-XXXXX |
30-TT-A959-XXXXX |
30-TT-A780-XXXXX |
30-TT-A781-XXXXX |
30-TT-LF19-XXXXX |
昆山乔伟新材料有限公司
服务热线:400-051-8106
公司传真:0512-57929135
企业邮箱:ksqw@ruilusd.com
咨询QQ:2879696435
公司地址:江苏省昆山市张浦镇南港虹新路28号
采购:派克固美丽导电弹性体/导电橡胶——连接器衬料
- *联系人:
- *手机:
- 公司名称:
- 邮箱:
- *采购意向:
-
*验证码:
跟此产品相关的产品 / Related Products
400-051-8106
传真:0512-57929135
邮箱:ksqw@ruilusd.com
地址:江苏省昆山市张浦镇南港虹新路28号









微信公众号
手机网站